Логотип компании в шапке сайта
Комплектующие для окон
Контакты
+7(931)009-48-58
Социальная сеть whatsapp

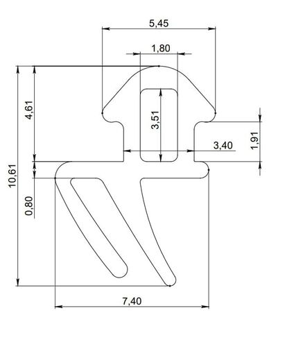
Пластина рихтовочная № 42*5

Отделочные материалыИнструментыПВХ ПОДОКОННИК "ПДК"Отливы, Козырьки, Металл в рулонах, ШтрипсСэндвич и ПВХ панелиСэндвич-панели для откосов (в распил)Стартовые и финишные профили F и ПНащельники, Наличники, Фальш-переплеты, Углы гибкиеМонтажная пена и очистители пен и герметиковCosmofen и аналогиКрепеж, Анкерные пластины, ДюбеляПаро-гидроизоляцияСтиз и АналогиПСУЛМоскитные комплектующиеУплотнителиПластмассовые изделияРучки для окон и балконные гарнитурыКрепление импостаТермометры и ТермогигрометрыАлюминиевые системыФурнитура двернаяПрофиль армирующийДоборные профили и алюминиевые пороги для профилей КВЕ и их аналоговДоборные профили и алюминиевые пороги для профилей REHAU и их аналоговПрофиль BrusboxПрофиль Орас Аналог RehauПрофиль Орас Аналог KBEПрофиля и аксессуары для монтажа гипсокартона и отделкиСайдинг и Фасадные панелиВОДОСТОЧНАЯ СИСТЕМА FINEBERМоскитные сетки под заказ самовывоз скады Тула, ЯрославльПленка полиэтиленоваяСмазкиРекламная поддержка
2.55 ₽ / шт.
Артикул: УТ000000547
Артикул производителя: 00547
Норма упаковки: 1 000
Остатки по складам:

Основной склад: 

В наличии
Описание:

Рихтовочные пластины  используются для выравнивания и фиксации стеклопакета при монтаже окон и дверных блоков.   Устанавливаются между оконной рамой и стеклопакетом в качестве подставок и распорок. Снижают нагрузку на оконную раму, равномерно распределяя ее по всей площади соприкосновения.

Длина рихтовочных пластин пластин универсальная и составляет 100 мм

  • Ширина равна толщине стеклопакета с которым устанавливается + 2 мм.
  • Для облегчения выбора и работы с рихтовочными пластинами в зависимости от толщины материала, рихтовочные пластины окрашиваются в различные цвета: 1 мм - белый, 2 мм - синий, 3 мм - красный, 4 мм - желтый, 5 мм - зеленый, 6 мм - черный

В зависимости от места установки рихтовочные пластины могут выполнять роль опорных или дистанционных подкладок. Опорные подкладки отличаются от дистанционных тем, что они принимают на себя всю нагрузку стеклопакета.  В отличии от опорных, дистанционные подкладки не распределяют нагрузку, а лишь обеспечивают равномерность зазора между кромкой стеклопакета и фальцем створки.

Рихтовочные пластины устанавливаются на выравнивающие фальцевые вкладыши, которые вставляются с внутренней (фальцевой) стороны профилей.

Характеристики товара Описание Файлы

Рихтовочные пластины  используются для выравнивания и фиксации стеклопакета при монтаже окон и дверных блоков.   Устанавливаются между оконной рамой и стеклопакетом в качестве подставок и распорок. Снижают нагрузку на оконную раму, равномерно распределяя ее по всей площади соприкосновения.

Длина рихтовочных пластин пластин универсальная и составляет 100 мм

  • Ширина равна толщине стеклопакета с которым устанавливается + 2 мм.
  • Для облегчения выбора и работы с рихтовочными пластинами в зависимости от толщины материала, рихтовочные пластины окрашиваются в различные цвета: 1 мм - белый, 2 мм - синий, 3 мм - красный, 4 мм - желтый, 5 мм - зеленый, 6 мм - черный

В зависимости от места установки рихтовочные пластины могут выполнять роль опорных или дистанционных подкладок. Опорные подкладки отличаются от дистанционных тем, что они принимают на себя всю нагрузку стеклопакета.  В отличии от опорных, дистанционные подкладки не распределяют нагрузку, а лишь обеспечивают равномерность зазора между кромкой стеклопакета и фальцем створки.

Рихтовочные пластины устанавливаются на выравнивающие фальцевые вкладыши, которые вставляются с внутренней (фальцевой) стороны профилей.