Логотип компании в шапке сайта
Комплектующие для окон
Контакты
+7(931)009-48-58
Социальная сеть whatsapp

Пластина рихтовочная № 42*3

Отделочные материалыИнструментыПВХ ПОДОКОННИК "ПДК"Отливы, Козырьки, Металл в рулонах, ШтрипсСэндвич и ПВХ панелиСэндвич-панели для откосов (в распил)Стартовые и финишные профили F и ПНащельники, Наличники, Фальш-переплеты, Углы гибкиеМонтажная пена и очистители пен и герметиковCosmofen и аналогиКрепеж, Анкерные пластины, ДюбеляПаро-гидроизоляцияСтиз и АналогиПСУЛМоскитные комплектующиеУплотнителиПластмассовые изделияРучки для окон и балконные гарнитурыКрепление импостаТермометры и ТермогигрометрыАлюминиевые системыФурнитура двернаяПрофиль армирующийДоборные профили и алюминиевые пороги для профилей REHAU и их аналоговПрофиль BrusboxПрофиль Орас Аналог RehauПрофиль Орас Аналог KBEПрофиля и аксессуары для монтажа гипсокартона и отделкиСайдинг и Фасадные панелиВОДОСТОЧНАЯ СИСТЕМА FINEBERМоскитные сетки под заказ самовывоз скады Тула, ЯрославльПленка полиэтиленоваяСмазкиРекламная поддержка
2.61 ₽ / шт.
Артикул: УТ000000545
Артикул производителя: 00545
Норма упаковки: 1 000
Остатки по складам:

Основной склад: 

В наличии
Описание:

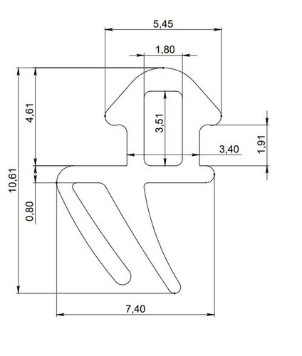
Рихтовочные пластины  используются для выравнивания и фиксации стеклопакета при монтаже окон и дверных блоков.   Устанавливаются между оконной рамой и стеклопакетом в качестве подставок и распорок. Снижают нагрузку на оконную раму, равномерно распределяя ее по всей площади соприкосновения.

Длина рихтовочных пластин пластин универсальная и составляет 100 мм

  • Ширина равна толщине стеклопакета с которым устанавливается + 2 мм.
  • Для облегчения выбора и работы с рихтовочными пластинами в зависимости от толщины материала, рихтовочные пластины окрашиваются в различные цвета: 1 мм - белый, 2 мм - синий, 3 мм - красный, 4 мм - желтый, 5 мм - зеленый, 6 мм - черный

В зависимости от места установки рихтовочные пластины могут выполнять роль опорных или дистанционных подкладок. Опорные подкладки отличаются от дистанционных тем, что они принимают на себя всю нагрузку стеклопакета.  В отличии от опорных, дистанционные подкладки не распределяют нагрузку, а лишь обеспечивают равномерность зазора между кромкой стеклопакета и фальцем створки.

Рихтовочные пластины устанавливаются на выравнивающие фальцевые вкладыши, которые вставляются с внутренней (фальцевой) стороны профилей.

Подробнее
С этими товарами покупают Характеристики товара Описание Файлы
Артикул: УТЯ00001948
Резиновый уплотнитель SBI-KBE-01 (227) створка 400м (1)
Резиновый уплотнитель SBI-KBE-01 (227) створка 400м
Артикул производителя: 01948
6,590.72 ₽ / шт.
70.114 € / шт.
Проверить наличие
Артикул: УТЯ00001949
Резиновый уплотнитель SBI-KBE-07 (254) стекло 400м (1)
Резиновый уплотнитель SBI-KBE-07 (254) стекло 400м
Артикул производителя: 01949
6,596.92 ₽ / шт.
70.18 € / шт.
Проверить наличие
Артикул: УТЯ00025818
Резиновый уплотнитель НА МЕТРАЖ SBI-RH-01стекло 10 м (1)
Резиновый уплотнитель НА МЕТРАЖ SBI-RH-01стекло 10 м
Артикул производителя: 25818
Норма упаковки: 1уп.-10м
311.23 ₽ / шт.
3.311 € / шт.
Раскупили
Артикул: УТЯ00232957
Уплотнитель противопыльный бел. 300м (1)
Уплотнитель противопыльный бел. 300м
Норма упаковки: 300
2,609.31 ₽ / шт.
Проверить наличие
Артикул: УТЯ00233853
Уплотнитель Rehau 4952 Створка 400м (1)
Уплотнитель Rehau 4952 Створка 400м
Норма упаковки: 400
4,400.53 ₽ / шт.
Проверить наличие
Артикул: УТЯ00234180
Уплотнитель Пенополиуретановый SQL9646 Серый Ral 7001 400м (1)
Уплотнитель Пенополиуретановый SQL9646 Серый Ral 7001 400м
Норма упаковки: 1/2
20,303.82 ₽ / шт.
Под заказ
Артикул: УТЯ00234181
Уплотнитель Пенополиуретановый SQL9646 Белый 400м (1)
Уплотнитель Пенополиуретановый SQL9646 Белый 400м
Норма упаковки: 1/2
20,303.82 ₽ / шт.
Под заказ