Логотип компании в шапке сайта
Комплектующие для окон
Контакты
+7(931)009-48-58
Социальная сеть whatsapp

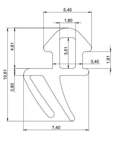
Пластина рихтовочная № 24*4

Отделочные материалыИнструментыПВХ ПОДОКОННИК "ПДК"Отливы, Козырьки, Металл в рулонах, ШтрипсСэндвич и ПВХ панелиСэндвич-панели для откосов (в распил)Стартовые и финишные профили F и ПНащельники, Наличники, Фальш-переплеты, Углы гибкиеМонтажная пена и очистители пен и герметиковCosmofen и аналогиКрепеж, Анкерные пластины, ДюбеляПаро-гидроизоляцияСтиз и АналогиПСУЛМоскитные комплектующиеУплотнителиПластмассовые изделияРучки для окон и балконные гарнитурыКрепление импостаТермометры и ТермогигрометрыАлюминиевые системыФурнитура двернаяПрофиль армирующийДоборные профили и алюминиевые пороги для профилей REHAU и их аналоговПрофиль BrusboxПрофиль Орас Аналог RehauПрофиль Орас Аналог KBEПрофиля и аксессуары для монтажа гипсокартона и отделкиСайдинг и Фасадные панелиВОДОСТОЧНАЯ СИСТЕМА FINEBERМоскитные сетки под заказ самовывоз скады Тула, ЯрославльПленка полиэтиленоваяСмазкиРекламная поддержка
1.65 ₽ / шт.
Артикул: УТ000001641
Норма упаковки: 1000шт
Остатки по складам:

Основной склад: 

В наличии
Описание:

Рихтовочные пластины  используются для выравнивания и фиксации стеклопакета при монтаже окон и дверных блоков.   Устанавливаются между оконной рамой и стеклопакетом в качестве подставок и распорок. Снижают нагрузку на оконную раму, равномерно распределяя ее по всей площади соприкосновения.

Длина рихтовочных пластин пластин универсальная и составляет 100 мм

  • Ширина равна толщине стеклопакета с которым устанавливается + 2 мм.
  • Для облегчения выбора и работы с рихтовочными пластинами в зависимости от толщины материала, рихтовочные пластины окрашиваются в различные цвета: 1 мм - белый, 2 мм - синий, 3 мм - красный, 4 мм - желтый, 5 мм - зеленый, 6 мм - черный

В зависимости от места установки рихтовочные пластины могут выполнять роль опорных или дистанционных подкладок. Опорные подкладки отличаются от дистанционных тем, что они принимают на себя всю нагрузку стеклопакета.  В отличии от опорных, дистанционные подкладки не распределяют нагрузку, а лишь обеспечивают равномерность зазора между кромкой стеклопакета и фальцем створки.

Рихтовочные пластины устанавливаются на выравнивающие фальцевые вкладыши, которые вставляются с внутренней (фальцевой) стороны профилей.

Подробнее
С этими товарами покупают Характеристики товара Описание Файлы
Артикул: УТЯ00001948
Резиновый уплотнитель SBI-KBE-01 (227) створка 400м (1)
Резиновый уплотнитель SBI-KBE-01 (227) створка 400м
Норма упаковки: 1шт
6,590.72 ₽ / шт.
70.114 € / шт.
Проверить наличие
Артикул: УТЯ00003208
Резиновый уплотнитель SBI-RH-01стекло (1к-400м) (1)
Резиновый уплотнитель SBI-RH-01стекло (1к-400м)
Норма упаковки: 1шт
7,654.7 ₽ / шт.
81.433 € / шт.
Проверить наличие
Артикул: УТЯ00021790
SC Саморезы универс. 3,9*16 сверло оконные белые (1)
SC Саморезы универс. 3,9*16 сверло оконные белые
Артикул производителя: 000022
Норма упаковки: 18000шт
385.57 ₽ / тыс. шт.
35.475 ¥ / тыс. шт.
Проверить наличие
Артикул: УТЯ00021793
SC Саморезы универс. 3,9*32 сверло оконные (1)
SC Саморезы универс. 3,9*32 сверло оконные
Артикул производителя: 000053
Норма упаковки: 8000шт
595.64 ₽ / тыс. шт.
54.802 ¥ / тыс. шт.
Проверить наличие
Артикул: УТЯ00232194
Уплотнение КВЕ 255 300м (1)
Уплотнение КВЕ 255 300м
Норма упаковки: 1шт
3,703.52 ₽ / шт.
Под заказ
Артикул: УТЯ00233853
Уплотнитель Rehau 4952 Створка 400м (1)
Уплотнитель Rehau 4952 Створка 400м
Норма упаковки: 1шт
4,400.53 ₽ / шт.
Проверить наличие
Артикул: УТЯ00233865
SC Саморез универс. SGW 5*40 белый цинк  полная резьба (1)
SC Саморез универс. SGW 5*40 белый цинк полная резьба
Норма упаковки: 4000шт
612.51 ₽ / тыс. шт.
Проверить наличие
Артикул: УТЯ00234179
Уплотнитель Пенополиуретановый SQL9646 Черный 400м (1)
Уплотнитель Пенополиуретановый SQL9646 Черный 400м
Норма упаковки: 2шт/1шт
20,900.99 ₽ / шт.
Проверить наличие