Логотип компании в шапке сайта
Комплектующие для окон
Контакты
+7(931)009-48-58
Социальная сеть whatsapp

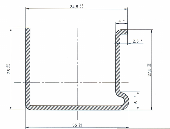
Армирующий профиль REHAU 506 35*28

Поделиться
Отделочные материалыИнструментыПВХ ПОДОКОННИК "ПДК"Отливы, Козырьки, Металл в рулонах, ШтрипсСэндвич и ПВХ панелиСэндвич-панели для откосов (в распил)Стартовые и финишные профили F и ПНащельники, Наличники, Фальш-переплеты, Углы гибкиеМонтажная пена и очистители пен и герметиковCosmofen и аналогиКрепеж, Анкерные пластины, ДюбеляПаро-гидроизоляцияСтиз и АналогиПСУЛМоскитные комплектующиеУплотнителиПластмассовые изделияРучки для окон и балконные гарнитурыКрепление импостаТермометры и ТермогигрометрыАлюминиевые системыФурнитура двернаяПрофиль армирующийДоборные профили и алюминиевые пороги для профилей REHAU и их аналоговПрофиль BrusboxПрофиль Орас Аналог RehauПрофиль Орас Аналог KBEПрофиля и аксессуары для монтажа гипсокартона и отделкиСайдинг и Фасадные панелиВОДОСТОЧНАЯ СИСТЕМА FINEBERМоскитные сетки под заказ самовывоз скады Тула, ЯрославльПленка полиэтиленоваяСмазкиРекламная поддержка
Артикул: УТ000000687
Профиль армирующий Аналог 35*28  (1.2) (створка) (1)
Профиль армирующий Аналог 35*28 (1.2) (створка)
Норма упаковки: 720
109.62 ₽ / м.
Проверить наличие
Артикул: УТЯ00024921
Профиль армирующий Аналог 35*28 (1,5) (створка) (1)
https://snabcentr.com/catalog/virtual/ruchki-rehau
kronos
nagel
Регистрация

Армирующий оконный профиль - это усиливающий элемент, находящийся внутри  ПВХ-профиля, необходимый для придания  жёсткости оконной конструкции и противостояния эксплуатационным нагрузкам